Bonjour à tous,
Pour une personne qui bricole sa voiture, son électricité à la maison, etc, le multimètre de Conrad est plus que correct.
Pour des mesures de précisions en milieu industriel, sur cartes électroniques, dans les armoires machine,
par rapport à des réglages de fonctionnement, il faut passer à autre chose. Même de temps en temps à l'oscilloscope,
pour faire des réglages que le multimètre ne sait pas faire, car là, il faut visualiser les signaux pour mener à bien ses réglages ou voir les problèmes.
Après, à chacun son métier et le matériel qui va avec.
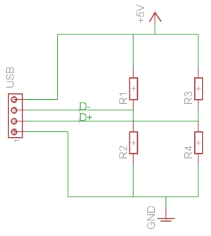
Pour les petits chargeurs, la prise USB à 4 pins est câblée en sortie 5vdc accompagnée de deux pont diviseurs de tension.
Les appareils qui seront branchés dessus doivent contrôler ces deux tensions distinctes pour lancer la charge, une sorte de
comparateur qui surveille si une tension varie par rapport à l'autre.
On voit bien sur le montage de test qui ne pouvait fonctionner, les 4 résistances CMS (R5 à R8) qui peuvent perturber la sortie
suivant le câble Mini USB branché, le câblage de la prise sur la caméra.
Seul les pins 1 et 4 sont utilisés, pas de câble disponiblent facilement, à part le fabriquer soi-même.
Les données sont connues pour maintenant faire une alimentation fonctionnelle.

- Ponts diviseurs sortie USB.png (8.92 Kio) Vu 7387 fois
Donc, ces chargeurs du commerce, demandent des modifications pour les connaisseurs, de manière à être modifiés pour une autre utilisation.
Dorénavent, le système est assimilé pour en faire ce que l'on veut.
Une commande à 5,00€ chez le fournisseur et l'affaire est réglée, pas la peine pour le même prix de se compliquer la vie.
Meilleures salutations