Clignotants et vitres électriques

Tout ce qui touche à l'electronique de la 308 ainsi qu'à l'electricité.

Clignotants et vitres électriques

Messagede Heavy » Dim 04 Déc 16 11:20

J'ai un peu souci très simple :
- Quand j'actionne mon clignotant à droite, j'ai le lateral gauche qui s'allume et pas le lateral droit.
- Quand j'actionne le leve-vitre passager coté conducteur, c'est celle du conducteur qui bouge.
- Quand j'ouvre la porte conducteur, le tableau de bord m'affiche une porte ouverte coté passager.
- La commande porte passager marche pas pour sa propre vitre.
- j'ai pas d'alerrte ceinture pour le siege passager


Du coup je me demande si y a pas un boitier centralisateur de tout l'electrlique et que ca a été rebranché n'importe comment...

Une idée ? Merci !
Dernière édition par Heavy le Mer 21 Déc 16 23:05, édité 1 fois.
Heavy
308 de Bronze
 
Messages: 151
Inscription: Dim 27 Nov 16 21:49
Peugeot 308: HDi 2,0L 136/140 ch

Clignotants et vitres électriques

Publicité

Publicité
 

Re: Clignotants et vitres électriques

Messagede Heavy » Lun 19 Déc 16 20:46

Je relance. Est-ce que quelqu'un a le schéma électrique sur la partie porte conducteur et passager vers le BSI ? et surtout est ce que quelqu'un pourra m'expliquer comment on lit ce schéma électrique ?
Heavy
308 de Bronze
 
Messages: 151
Inscription: Dim 27 Nov 16 21:49
Peugeot 308: HDi 2,0L 136/140 ch

Re: Clignotants et vitres électriques

Messagede Heavy » Mer 21 Déc 16 23:04

Bon aide toi et le ciel t'aidera...

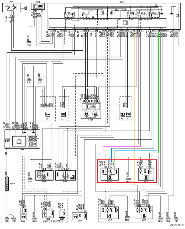
J'ai chopé cette image dans un topic annexe sur le super verouillage.
Image

SI je comprends bien, la zone en rouge est ce que je cherche... mais y a plein de fil qui partent et je sais pas qui fait quoi. Est ce que c'est forcement un probleme de cablage ou est ce que c regklage par un coup de valise ?
Fichiers joints
schema cablage porte bsi.jpg
Heavy
308 de Bronze
 
Messages: 151
Inscription: Dim 27 Nov 16 21:49
Peugeot 308: HDi 2,0L 136/140 ch

Re: Clignotants et vitres électriques

Messagede Alexandre42300 » Mer 28 Déc 16 15:24

Salut heavy, avant que tout ces problèmes arrive sur ton véhicule, tu a fait quelque chose dessus? remplacement d'une pièce, ferme la porte violemment ou tout autre opération?

je partirai sur un problème de masse dans la portière mais ce qui me parer louche c'est les clignotants ils ont rien avoir avec la platine de commande conducteur
Dernière édition par Alexandre42300 le Mer 28 Déc 16 15:32, édité 1 fois.
308 Féline 2007 136 Rouge babylone <3
Avatar de l’utilisateur
Alexandre42300
308 d'Argent
 
Messages: 301
Inscription: Mer 26 Oct 16 12:03
Peugeot 308: HDi 2,0L 136/140 ch

Re: Clignotants et vitres électriques

Messagede Alexandre42300 » Mer 28 Déc 16 15:31

contrôle la masse coté conducteur qui est en borne 1 fil ME233 sur ton schema
308 Féline 2007 136 Rouge babylone <3
Avatar de l’utilisateur
Alexandre42300
308 d'Argent
 
Messages: 301
Inscription: Mer 26 Oct 16 12:03
Peugeot 308: HDi 2,0L 136/140 ch

Re: Clignotants et vitres électriques

Messagede Heavy » Jeu 29 Déc 16 13:45

A h cool une réponse.

Perso j'ai acheté la voiture comme ca, je pense pas que ca soit méchant mais c'est juste bien étrange.

Le faisceau du clignotant est dans celui de la portiere. Les garnitures de portières semblent avoir été démontées car il manque des fixations. Puis la platine conducteur commande le réglage des rétroviseurs.
Donc je vais voir pour la masse... Va falloir que je triture tout ca pour savoir.
Heavy
308 de Bronze
 
Messages: 151
Inscription: Dim 27 Nov 16 21:49
Peugeot 308: HDi 2,0L 136/140 ch

Re: Clignotants et vitres électriques

Messagede Alexandre42300 » Ven 30 Déc 16 14:53

Heavy a écrit:A h cool une réponse.

Perso j'ai acheté la voiture comme ca, je pense pas que ca soit méchant mais c'est juste bien étrange.

Le faisceau du clignotant est dans celui de la portiere. Les garnitures de portières semblent avoir été démontées car il manque des fixations. Puis la platine conducteur commande le réglage des rétroviseurs.
Donc je vais voir pour la masse... Va falloir que je triture tout ca pour savoir.



ah bin si tu vois que ta porte a était démonté (pas dans les règles), ton problème et surement derrière.
308 Féline 2007 136 Rouge babylone <3
Avatar de l’utilisateur
Alexandre42300
308 d'Argent
 
Messages: 301
Inscription: Mer 26 Oct 16 12:03
Peugeot 308: HDi 2,0L 136/140 ch

Re: Clignotants et vitres électriques

Messagede Heavy » Lun 02 Jan 17 17:13

Alors j'ai fouillé derrière et cheké les branchements de la porte conducteur, j'ai rien vu d'anormal d'après les dessins techniques. Quand tu dis "masse", ca peut etre quoi ? J'ai pas encore fait la porte passager, manque de temps...
Heavy
308 de Bronze
 
Messages: 151
Inscription: Dim 27 Nov 16 21:49
Peugeot 308: HDi 2,0L 136/140 ch

Re: Clignotants et vitres électriques

Messagede Alexandre42300 » Lun 02 Jan 17 18:43

La masse sur ton schema electrique, porte conducteur bloc 6202 borne 1, fil ME 233 il faut débrancher ce connecteur, ce prendre sur le borne 1 avec un ohm metre et le reprendre sur une masse le mieux sur la borne - de la batterie et lire la mesure.
308 Féline 2007 136 Rouge babylone <3
Avatar de l’utilisateur
Alexandre42300
308 d'Argent
 
Messages: 301
Inscription: Mer 26 Oct 16 12:03
Peugeot 308: HDi 2,0L 136/140 ch

Re: Clignotants et vitres électriques

Publicité

Pub
 

Re: Clignotants et vitres électriques

Messagede Heavy » Dim 15 Jan 17 16:44

alors ! j'ai fait tes tests et pas de problème de masse. J'ai vérifié toutes les cosses, aucune n'est brulée ou endommagée.

Réinitialisation du BSI en vue ? J'ai une valise à dispo, si je réinitialise, est ce que j'ai besoin d'un code ? j'ai lu ca sur quelques forums...
Heavy
308 de Bronze
 
Messages: 151
Inscription: Dim 27 Nov 16 21:49
Peugeot 308: HDi 2,0L 136/140 ch


Retourner vers Electricité & Electronique

Qui est en ligne

Utilisateurs parcourant ce forum: Aucun utilisateur enregistré et 1 invité