Alarme 308 efficace

Tout ce qui touche à l'electronique de la 308 ainsi qu'à l'electricité.

Alarme 308 efficace

Messagede Bricoman » Dim 25 Mai 14 09:16

Bonjour à tous,

Une nouvelle "titine" c'est bien, mais une alarme ne peut que devenir indispensable pour prévenir des risques à venir. :D
J'ai trouvé un fabricant très connu, encore que le lien existe déjà sur le "fofo" qui propose une alarme de base configurable à souhait. :super:
http://frabalt.com/traceur-antivol-gps/ ... 845dc.html
Toutes les options de configurations sont possibles sur le modèle de base dont le tarif évolue suivant les besoins personnels,
il suffit de lui rajouter les accessoires utiles en fonction de l'environnement du véhicule. :ghee:
Le modèle citée sur le lien procure une protection efficace, tout en étant assez complet dans un premier temps, rien n'empêche
plus tard de le faire évoluer en lui adjoignant autre chose pour le compléter.
Actuellement en promotion à 242.00€, abordable pour la sécurité apportée.

patrolsat845dc.jpg
patrolsat845dc.jpg (116.9 Kio) Vu 24366 fois

Alarme.PNG
Alarme.PNG (138.85 Kio) Vu 24366 fois

Un système simple à brancher sur la 308 par le CAN BUS qui fonctionne avec la télécommande d'origine., deux cartes anti car jacking
et le suivi GPS par traceur qui offre un réel confort en étant averti de l'effraction tout en pouvant suivre le déplacement de la 308. :super:
L'application gratuite smartphone fonctionne sur iPhone et Android, nécessité d'avoir une carte sim fonctionnelle, chez Free à 3.00€/mois ou
carte sim B&You de recharge sans limite de temps, à vérifier les dires du site vendeur.

Si le bouton poussoir "alarme" peut être rajouté sur la petite console de la 308 et faire fonctionner le voyant en symbiose, ce serait parfait ?

IMG0593.jpg
IMG0593.jpg (90.54 Kio) Vu 24355 fois

Meilleures salutations
Bricoman
308 de Diamant ! :)
 
Messages: 4314
Inscription: Jeu 19 Avr 12 16:27
Peugeot 308: HDi 1,6L 110/112 ch
    Voir la position géographique du membre

Alarme 308 efficace

Publicité

Publicité
 

Re: Alarme 308 efficace

Messagede Bricoman » Dim 25 Mai 14 10:02

Bonjour à tous,

Merci LittleVince pour l'information, au moins faire fonctionner le voyant quand l'alarme est activée serait suffisant. :D

Meilleures salutations
Bricoman
308 de Diamant ! :)
 
Messages: 4314
Inscription: Jeu 19 Avr 12 16:27
Peugeot 308: HDi 1,6L 110/112 ch
    Voir la position géographique du membre

Alarme 308 efficace

Messagede austinman » Dim 25 Mai 14 12:11

On ne peut pas rajouter de bouton sur la console centrale, enfin c'est suicidaire pour ma part. C'est un bloc indépendant a plus de 300e. :siffle:
308 Féline 2007 - 1.6L 110ch - Gris aluminium - Semi-cuir - Lincancabur DS 18" - RT6 - Radar AR
http://www.forum308.com/viewtopic.php?f=10&t=5779
Avatar de l’utilisateur
austinman
308 de Diamant ! :)
 
Messages: 4334
Inscription: Jeu 18 Avr 13 21:29
Peugeot 308: HDi 1,6L 110/112 ch

Re: Alarme 308 efficace

Messagede Bricoman » Dim 25 Mai 14 12:24

Bonjour à tous,

Bien, le problème est réglé ! il faudra s'en passé pour de bon. :D

Meilleures salutations
Bricoman
308 de Diamant ! :)
 
Messages: 4314
Inscription: Jeu 19 Avr 12 16:27
Peugeot 308: HDi 1,6L 110/112 ch
    Voir la position géographique du membre

Re: Alarme 308 efficace

Messagede austinman » Dim 25 Mai 14 12:49

Je viens de vérifier, c'est dans les 80e maintenant. J'ai ce souvenir de 300e, car j'avais regardé quand j'avais installé ma LED dans le rétro. Les prix ont du changer.

C'est déjà plus jouable. :super:
308 Féline 2007 - 1.6L 110ch - Gris aluminium - Semi-cuir - Lincancabur DS 18" - RT6 - Radar AR
http://www.forum308.com/viewtopic.php?f=10&t=5779
Avatar de l’utilisateur
austinman
308 de Diamant ! :)
 
Messages: 4334
Inscription: Jeu 18 Avr 13 21:29
Peugeot 308: HDi 1,6L 110/112 ch

Re: Alarme 308 efficace

Messagede Bricoman » Dim 01 Juin 14 06:10

Bonjour à tous,

Un mail tout à l'heure pour savoir si cette alarme est compatible avec le bouton poussoir à voyant du bandeau. :D
Ce serait bien de pouvoir désactiver la protection volumétrique en gardant l'alarme comme expliqué par Vincent. :?:
Sinon, une autre doit bien le faire vu qu'elles sont plug&play sur une prise du BSI !
Obligation de passer à la valise pour l'activer du fait de ce branchement sur le calculateur ?
Celle de Peugeot doit fonctionner avec le bouton certainement ?

Le gars m'a demandé le modèle de 308, il cherche à savoir, bon signe si cela fonctionne comme voulu. :?:

Meilleures salutations
Bricoman
308 de Diamant ! :)
 
Messages: 4314
Inscription: Jeu 19 Avr 12 16:27
Peugeot 308: HDi 1,6L 110/112 ch
    Voir la position géographique du membre

Re: Alarme 308 efficace

Messagede Bricoman » Dim 01 Juin 14 09:46

LittleVince a écrit::super: Voilà une bonne nouvelle déjà ! Quelqu'un qui s'implique !!!
Tiens nous au courant de la suite ! :super:

Bonjour à tous,

Discret le Bricoman, mail il cherche quand quelque chose d'utile et performant le 'titille" là où il faut. :D
J'espère que le gars va nous donner une réponse favorable, si oui je pense la poser en complément des vitres gravées. :ghee:
Il faudra trouver un bandeau complet tout de même pour avoir le bouton + témoin, même le SOS + assistance pour faire plus joli. 8|
Elle est toujours mieux que celle d'origine PEUGEOT performante, mais le traceur (+"appli") et les deux cartes font vite réfléchir. :super:
Surtout que le tarif est raisonnable pour les options apportées sur un tel appareil, options qui peuvent se rajouter à foison plus tard si nécessaire. :pompom:

Meilleures salutations
Bricoman
308 de Diamant ! :)
 
Messages: 4314
Inscription: Jeu 19 Avr 12 16:27
Peugeot 308: HDi 1,6L 110/112 ch
    Voir la position géographique du membre

Re: Alarme 308 efficace

Messagede yannou25 » Dim 01 Juin 14 09:54

Elle est déjà bien efficace, pour l'avoir entendu quelque fois sonner peux te dire que ça dissuade pas mal :cote:
Si tu freine t'es un lâche....
Si tu freine pas t'es un con !!!
Avatar de l’utilisateur
yannou25
308 de Diamant ! :)
 
Messages: 12771
Inscription: Ven 17 Déc 10 18:21
Localisation: Besancon
Peugeot 308: HDi 1,6L 110/112 ch

Re: Alarme 308 efficace

Messagede Bricoman » Dim 01 Juin 14 19:02

yannou25 a écrit:Elle est déjà bien efficace, pour l'avoir entendu quelque fois sonner peux te dire que ça dissuade pas mal :cote:

Bonjour à tous,

On verra si demain le gars aura la solution à notre problème, du moins la réponse à la question ?

Meilleures salutations
Bricoman
308 de Diamant ! :)
 
Messages: 4314
Inscription: Jeu 19 Avr 12 16:27
Peugeot 308: HDi 1,6L 110/112 ch
    Voir la position géographique du membre

Re: Alarme 308 efficace

Messagede yannou25 » Dim 01 Juin 14 19:03

J'hésite à en mettre une sur la 206 mais le prix et la partie câblage me repousse un peu :pascontent2:
Si tu freine t'es un lâche....
Si tu freine pas t'es un con !!!
Avatar de l’utilisateur
yannou25
308 de Diamant ! :)
 
Messages: 12771
Inscription: Ven 17 Déc 10 18:21
Localisation: Besancon
Peugeot 308: HDi 1,6L 110/112 ch

Re: Re : Alarme 308 efficace

Messagede Clems13 » Dim 01 Juin 14 19:06

yannou25 a écrit:la partie câblage me repousse un peu :pascontent2:

Ce n'est pas le plus dur !
308 SW Confort Pack - Blanc Banquise - Clim Auto - Pack Visibilité 1 & 2 - Pack Ambiance - Pack Rangement
Avatar de l’utilisateur
Clems13
308 de Diamant ! :)
 
Messages: 3629
Inscription: Mer 02 Nov 11 20:43
Localisation: Perdu entre la Bresse et le Morvan...
Peugeot 308: HDi 1,6L 90/92 ch

Re: Alarme 308 efficace

Messagede yannou25 » Dim 01 Juin 14 19:14

Oh tu sais moi je fait pas joujou avec des câbles comme ça. J'suis plus dans les 12V 230V et 10 000V :hehe:

J'aimerais avoir le démarrage à distance aussi :ange:

Du genre ça :siffle:

http://alarme-magicar.com/dad/beeper-de ... a-distance
Si tu freine t'es un lâche....
Si tu freine pas t'es un con !!!
Avatar de l’utilisateur
yannou25
308 de Diamant ! :)
 
Messages: 12771
Inscription: Ven 17 Déc 10 18:21
Localisation: Besancon
Peugeot 308: HDi 1,6L 110/112 ch

Re: Alarme 308 efficace

Messagede Clems13 » Dim 01 Juin 14 19:27

Une bonne pince, un fer à souder efficace et c'est bon !
308 SW Confort Pack - Blanc Banquise - Clim Auto - Pack Visibilité 1 & 2 - Pack Ambiance - Pack Rangement
Avatar de l’utilisateur
Clems13
308 de Diamant ! :)
 
Messages: 3629
Inscription: Mer 02 Nov 11 20:43
Localisation: Perdu entre la Bresse et le Morvan...
Peugeot 308: HDi 1,6L 90/92 ch

Re: Alarme 308 efficace

Messagede yannou25 » Dim 01 Juin 14 19:29

Bon si un jour je la prend je viens te voir :siffle: :siffle:
Si tu freine t'es un lâche....
Si tu freine pas t'es un con !!!
Avatar de l’utilisateur
yannou25
308 de Diamant ! :)
 
Messages: 12771
Inscription: Ven 17 Déc 10 18:21
Localisation: Besancon
Peugeot 308: HDi 1,6L 110/112 ch

Re: Alarme 308 efficace

Messagede Clems13 » Dim 01 Juin 14 19:30

Plutôt l'inverse, si jamais la 206 ne redémarre pas que tu puisses rentrer chez toi quand même !!!
308 SW Confort Pack - Blanc Banquise - Clim Auto - Pack Visibilité 1 & 2 - Pack Ambiance - Pack Rangement
Avatar de l’utilisateur
Clems13
308 de Diamant ! :)
 
Messages: 3629
Inscription: Mer 02 Nov 11 20:43
Localisation: Perdu entre la Bresse et le Morvan...
Peugeot 308: HDi 1,6L 90/92 ch

Re: Alarme 308 efficace

Messagede yannou25 » Dim 01 Juin 14 19:32

Rassurant :mdr2:
Si tu freine t'es un lâche....
Si tu freine pas t'es un con !!!
Avatar de l’utilisateur
yannou25
308 de Diamant ! :)
 
Messages: 12771
Inscription: Ven 17 Déc 10 18:21
Localisation: Besancon
Peugeot 308: HDi 1,6L 110/112 ch

Re: Alarme 308 efficace

Messagede Clems13 » Dim 01 Juin 14 19:37

:mdr2:
308 SW Confort Pack - Blanc Banquise - Clim Auto - Pack Visibilité 1 & 2 - Pack Ambiance - Pack Rangement
Avatar de l’utilisateur
Clems13
308 de Diamant ! :)
 
Messages: 3629
Inscription: Mer 02 Nov 11 20:43
Localisation: Perdu entre la Bresse et le Morvan...
Peugeot 308: HDi 1,6L 90/92 ch

Re: Alarme 308 efficace

Messagede Bricoman » Lun 02 Juin 14 15:54

Bonjour à tous,

Mail en réponse du site de l'alarme Peugeot éventuelle,

Mail.PNG
Mail.PNG (16.83 Kio) Vu 24110 fois

L'alarme Peugeot fonctionne avec le BP du bandeau, pas celle-ci aux dires du gars. :(

Meilleures salutations
Bricoman
308 de Diamant ! :)
 
Messages: 4314
Inscription: Jeu 19 Avr 12 16:27
Peugeot 308: HDi 1,6L 110/112 ch
    Voir la position géographique du membre

Re: Alarme 308 efficace

Messagede Bricoman » Sam 14 Juin 14 19:14

Bonjour à tous,

Il est pas très doué le gars, j'ai pas voulu en rajouter, peut-on lui faire confiance de part les réponses données ? :erk:
Je viens de relire en totalité les fonctions de cette alarme, il est spécifié que l'on peut désactiver les ultrasons si un animal est laissé à l'intérieur du véhicule. :ghee:
Il existe même un petit faisceau spécial Peugeot à brancher sur la voiture, à quoi sert-il ? 8|
Toujours aussi difficile d'avoir de l'information lorsque l'on s'intéresse à un type de produit de nos jours. :(
Il faudrait avoir le mode d'emploi + le câblage pour en savoir plus, donc l'acheter !!!

L'alarme Peugeot provient de Texalarm, peut-être d'autres marques en collaboration ?

Alarm Peugeot.PNG
Alarm Peugeot.PNG (167.48 Kio) Vu 24088 fois

Alarm Peugeot 2.PNG
Alarm Peugeot 2.PNG (139.37 Kio) Vu 24088 fois

Meilleures salutations

Un mail au gars de l'alarme pour savoir où se procurer la notice de montage sur une 308, j'espère qu'elle est disponible en .PDF. :?:

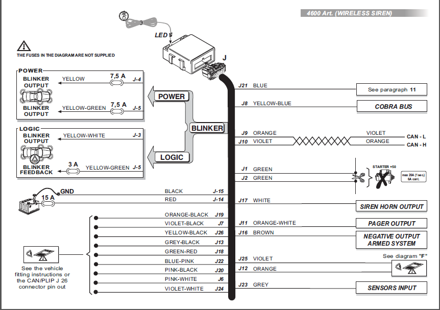
Cobra possède une alarme 4615 Can Bus en 6 fils de base comme câblage assez efficace et simple à poser.
Le distributeur à l'air correct, une "hot line" est disponible pour les problèmes de pose, toujours mieux que d'être tout seul devant son matériel.
Un exemple plus bas du câblage qui n'est pas si compliqué que çà, les fils sont bien repérés avec des photos à l'appui sur la notice.
La driver card existe, comme d'autres accessoires utiles en sécurité, bon à savoir.
http://www.3gci.fr/alarme-cobra-4615-ca ... vement.htm.

Alarme Cobra.PNG

4615.PNG
4615.PNG (76.42 Kio) Vu 23889 fois

Câblage 4615.PNG

Meilleures salutations
Bricoman
308 de Diamant ! :)
 
Messages: 4314
Inscription: Jeu 19 Avr 12 16:27
Peugeot 308: HDi 1,6L 110/112 ch
    Voir la position géographique du membre

Re: Alarme 308 efficace

Messagede jose308 » Sam 14 Juin 14 19:36

Pour la cobra 4615 elle est au top je l'ai sur la mienne et le vendeur est vraiment tres tres bien
Plus qu'un forum avant tout une famille
Avatar de l’utilisateur
jose308
308 de Diamant ! :)
 
Messages: 2894
Inscription: Mar 23 Oct 12 22:14
Localisation: survilliers
Peugeot 308: HDi 1,6L 110/112 ch
    Voir la position géographique du membre

Re: Alarme 308 efficace

Messagede Bricoman » Dim 15 Juin 14 16:41

jose308 a écrit:Pour la cobra 4615 elle est au top je l'ai sur la mienne et le vendeur est vraiment tres tres bien

Bonjour à tous,

Une bonne alarme pas très compliquée à poser, la notice pour 308 est assez explicite pour se lancer. :D
De plus, les options qui m'intéressent sont disponibles au besoin, de quoi les rajouter plus tard.
Le modèle 845DC reste un bon modèle, mais moins facile sans notice à consulter, le gars n'a pas aimé ma façon de parler de lui. :hehe:
Ce n'est pas grave, l'intérêt est d'avoir une alarme de base simple à poser, parfaitement adaptée à la 308 en CAN BUS. :ghee:
Seulement 6fils à la base pour la faire fonctionner, faisable pour commencer. :super:

Meilleures salutations
Bricoman
308 de Diamant ! :)
 
Messages: 4314
Inscription: Jeu 19 Avr 12 16:27
Peugeot 308: HDi 1,6L 110/112 ch
    Voir la position géographique du membre

Re: Alarme 308 efficace

Messagede alrioman » Jeu 18 Sep 14 17:42

Salut bricoman,

je me suis également penché sur cette alarme et j'ai abandonné après l'avoir appelé (frabalt). Il était dans l'impossibilité de m'assurer de la compatibilité avec le start&stop car chez peugeot il existe deux refs différentes ...
J'ai contacté un installateur alarme qui pose les alarmes frabalt et m'a dit n'avoir jamais eu aucun problème car si on veut la coupure moteur à moins de bien connaitre l’électronique il vaut mieux le faire faire enfin moi je ne me serais pas lancé la dedans.

Edit : j'avais vu au téléphone que pour un achat groupé à partir de deux on peut négocier le tarif ... Et pour l'installateur c'est dans le 91
Avatar de l’utilisateur
alrioman
308 Addicted
 
Messages: 70
Inscription: Jeu 14 Aoû 14 21:44
Localisation: Picardie
Peugeot 308: HDi 1,6L 110/112 ch
    Voir la position géographique du membre

Re: Alarme 308 efficace

Messagede Bricoman » Mar 23 Sep 14 06:04

Bonjour à tous,

Une excellente alarme facile à poser cette Cobra 4615, elle est en commande munie d'une carte "carjacking". :D
Plus tard, le module de suivi GPS sur le smartphone AndroÎd viendra la compléter, aussi très simple à poser. :ghee:
La pose sera "perso" pour un travail soigné et discret, les poseurs la cache souvent au même endroit très connu des indélicats. :(
Pour résumer, ils appliquent bêtement les notices de montage faciles à se procurer.

Alarme Cobra 4615 (car jacking).jpg
Alarme Cobra 4615 (car jacking).jpg (24.55 Kio) Vu 22470 fois

Pager disponible.jpg
Pager disponible.jpg (20.51 Kio) Vu 22470 fois

Traceur GPS + Appli Androïd disponible.jpg
Traceur GPS + Appli Androïd disponible.jpg (123.58 Kio) Vu 22470 fois

Meilleures salutations
Bricoman
308 de Diamant ! :)
 
Messages: 4314
Inscription: Jeu 19 Avr 12 16:27
Peugeot 308: HDi 1,6L 110/112 ch
    Voir la position géographique du membre

Re: Alarme 308 efficace

Messagede titiste » Lun 13 Oct 14 20:47

Hello bricoman

As tu réussi à monter cette alarme et si oui marche t elle parfaitement?

Cordialement
titiste
308 Addicted
 
Messages: 28
Inscription: Jeu 27 Fév 14 18:29
Peugeot 308: HDi 1,6L 110/112 ch

Re: Alarme 308 efficace

Messagede forest » Lun 13 Oct 14 21:45

salut,
Désolé mais il ne te répondra pas, il ne vient plus sur le forum.
Cordialement.
"Le savoir ne vaut que s'il est partagé par tous"
Féline 5P,110ch,Noire Perla Nera+WIPCom3D+Alarme SuperV+RadarsAV/AR+Xénon
Conso@5,28l (122 222)
Avatar de l’utilisateur
forest
308 de Diamant ! :)
 
Messages: 15645
Inscription: Mar 08 Sep 09 10:22
Localisation: Seine-et-Marne, Ile-De-France
Peugeot 308: HDi 1,6L 110/112 ch

Re: Alarme 308 efficace

Messagede titiste » Mar 14 Oct 14 07:10

OK merci. Sa évitera que j'attende une réponse.

Salutations.
titiste
308 Addicted
 
Messages: 28
Inscription: Jeu 27 Fév 14 18:29
Peugeot 308: HDi 1,6L 110/112 ch

Re: Alarme 308 efficace

Messagede titou » Mar 14 Oct 14 20:14

au dernière nouvelle, il ne l'avait pas installé ;-) tu peux toujours lui demander confirmation par mp
" Les voitures de F1 : si vous les trouvez faciles à conduire, c'est que vous n'allez pas assez vite " , Mika Hakkinen.
Avatar de l’utilisateur
titou
308 de Diamant ! :)
 
Messages: 8837
Inscription: Sam 22 Sep 12 18:45
Localisation: ALBI (81)
Peugeot 308: HDi 1,6L 110/112 ch

Re: Alarme 308 efficace

Messagede jose308 » Mar 14 Oct 14 20:22

Je confirme toujours pas monter
Plus qu'un forum avant tout une famille
Avatar de l’utilisateur
jose308
308 de Diamant ! :)
 
Messages: 2894
Inscription: Mar 23 Oct 12 22:14
Localisation: survilliers
Peugeot 308: HDi 1,6L 110/112 ch
    Voir la position géographique du membre

Re: Alarme 308 efficace

Messagede forest » Mar 14 Oct 14 21:22

Euh, il n'est plus sur le site, je suis quasiment sûr qu'il ne répondra pas aux MP.
Pour l'alarme, c'est en cours de montage dans sa voiture sinon.
"Le savoir ne vaut que s'il est partagé par tous"
Féline 5P,110ch,Noire Perla Nera+WIPCom3D+Alarme SuperV+RadarsAV/AR+Xénon
Conso@5,28l (122 222)
Avatar de l’utilisateur
forest
308 de Diamant ! :)
 
Messages: 15645
Inscription: Mar 08 Sep 09 10:22
Localisation: Seine-et-Marne, Ile-De-France
Peugeot 308: HDi 1,6L 110/112 ch

Re: Alarme 308 efficace

Messagede titiste » Mer 15 Oct 14 09:06

Envoyer MP, on verra si réponse ou pas.
titiste
308 Addicted
 
Messages: 28
Inscription: Jeu 27 Fév 14 18:29
Peugeot 308: HDi 1,6L 110/112 ch

Re: Alarme 308 efficace

Messagede saturne » Mer 15 Oct 14 16:09

Bonjour
Moi j'ai installé sur une C4 Picasso une patroline HPS 841 avec la fiche adaptatrice sur le BSI (connecteur EA 6).
J'ai changé pour une 308 Active et par chance c'est compatible.
Le montage est "très difficile"
Connecter sur le boitier le connecteur 14 broches et le connecteur 6 broches sur le BSI.
Activation sous PP200 et ça roule.
Marche parfaitement sans aucun câblage.
Bien sur on peux faire compliqué si on désire.
saturne
Curieux
 
Messages: 12
Inscription: Lun 22 Sep 14 09:11
Peugeot 308: HDi 1,6L 110/112 ch

Re: Re : Alarme 308 efficace

Messagede forest » Mer 15 Oct 14 19:54

titiste a écrit:Envoyer MP, on verra si réponse ou pas.

forest a écrit:salut,
Désolé mais il ne te répondra pas, il ne vient plus sur le forum.
Cordialement.


...

Sinon, sympa pour le retour de l'alarme plug'n play ;-)
"Le savoir ne vaut que s'il est partagé par tous"
Féline 5P,110ch,Noire Perla Nera+WIPCom3D+Alarme SuperV+RadarsAV/AR+Xénon
Conso@5,28l (122 222)
Avatar de l’utilisateur
forest
308 de Diamant ! :)
 
Messages: 15645
Inscription: Mar 08 Sep 09 10:22
Localisation: Seine-et-Marne, Ile-De-France
Peugeot 308: HDi 1,6L 110/112 ch

Re: Alarme 308 efficace

Messagede titiste » Jeu 16 Oct 14 12:52

Merci pour tes réponses saturne.
titiste
308 Addicted
 
Messages: 28
Inscription: Jeu 27 Fév 14 18:29
Peugeot 308: HDi 1,6L 110/112 ch

Re: Alarme 308 efficace

Publicité

Pub
 

Re: Alarme 308 efficace

Messagede SADAM » Sam 17 Jan 15 19:25

J'ai monté ce modèle d'alarme sur ma 207, je pensais installer à nouveau ce modele sur la 308. Faut juste que je récupère les finances pour payer l'alarme.

Installation sur 207, pas trop compliqué, le passage des fils pour la sirène est plus compliqué, mais vu que selon ce que j'ai vu, c'est sans fils maintenant ...

Il faut que l'alarme soit programmée pour fonctionner sur le bus CAN de chez Peugeot. C'est soit programmé par le magasin, soit directement sur la voiture. Il n'est pas utile je crois d'activer la présence de l'alarme dans le BSI de la voiture, c'est l'alarme qui regarde sur le bus si on ouvre ou on ferme les portes via la commande d'origine ou si on ouvre une porte.

Le plus chiant, c'est qu'il faut avoir le bon plan. N'hésitez pas à contacter le fabriquant pour avoir le plan.
Lorsque j'ai installé sur la 207, le vendeur m'a envoyé un plan, et pas le bon ... C'est le fabriquent qui m'a communiqué le plan.
Il faut connecter les fils de l'alarme sur les fils du BSI. Ne pas utiliser des connecteurs "rapides" a sertir, trop risqué de casser un fil ou d'avoir un mauvais contact. Moi, j'ai decoupé la gaine des fils, fait des soudures, isoler correctement.

Je fait confiance à Cobra, et le SAV m'a vraiment bien aidé.
Si je sais, quand j'aurais l'alarme, je ferais un petit tuto.
308 1.6 VTi 120 Premium (ma monture)
208 1.2 Like (la nouvelle de ma femme)
Avatar de l’utilisateur
SADAM
308 de Bronze
 
Messages: 110
Inscription: Sam 06 Déc 14 06:36
Localisation: Liège (Belgique)
Peugeot 308: VTi 1,6L 120 ch
    Voir la position géographique du membre

Suivante

Retourner vers Electricité & Electronique

Qui est en ligne

Utilisateurs parcourant ce forum: Aucun utilisateur enregistré et 3 invités