Radar de recul d'origine - Seconde monte

Tout ce qui touche à l'electronique de la 308 ainsi qu'à l'electricité.

Radar de recul d'origine - Seconde monte

Messagede Azdar » Ven 31 Oct 14 09:26

Bonjour à tous,

Mon prochain projet consiste à installer les radars de recul d’origine dans mon véhicule. Il y a plusieurs topics sur le forum qui parlent de ce sujet, mais j’ai néanmoins des questions à poser à la communauté. Voilà où j’en suis dans mes recherches :

Cas 1 – Le véhicule est pré-câblé :

Cette vérification est simple. Il suffit de retirer le cache arrière gauche du coffre. Si l’on trouve une prise en attente, le véhicule est pré-câblé. Il reste donc à :
• Brancher le boitier d’aide au stationnement.
• Brancher les 4 capteurs.
• Remplacer la réglette sur la console centrale (pour avoir la neutralisation des radars).
• Télé-coder l’installation.


Cas 2 – Le véhicule n’est pas pré-câblé :

S’il n’y a pas de prise en attente dans l’aile arrière gauche, il faut tirer un faisceau qui part du BSI (sous le volant) et qui va jusque dans l’aile. Ensuite, on se réfère aux différentes étapes du paragraphe précédent.


Malheureusement, je me trouve dans le deuxième cas ; et je compte ramener les câbles manquant du BSI vers l’aile arrière gauche. Est-ce-que quelqu’un aurait une référence pour ce faisceau ? J’ai fait des recherches sur LeBonCoin/eBay, mais je n’ai rien trouvé de concluant.

L’étape suivante consiste à trouver un boitier d’aide au stationnement ; cependant, il faut être vigilent car il y en existe deux types :
• Soit le boitier gère uniquement les radars arrière.
• Soit le boitier gère les radars avant et arrière.

arriere.JPG

Puisqu’il y a deux prises, je pense que ce boitier ne gère que les radars de recul. (1 prise pour la connexion au BSI, et une autre prise pour alimenter les radars).


avant et arriere.JPG

Ici, j’ai l’impression qu’il y a trois prises. (1 prise au milieu pour la connexion au BSI, 1 prise à gauche (ou à droite) pour alimenter les radars arrière et une prise à droite (ou à gauche) pour alimenter les radars avant).



Ensuite, il faut le faisceau qui va alimenter les capteurs :
013d129ddc8b0bd16579fcc0a994aee332b0d166.jpg
013d129ddc8b0bd16579fcc0a994aee332b0d166.jpg (71.34 Kio) Vu 29256 fois

Est-ce-que quelqu’un aurait une référence pour ce faisceau ?


Et pour finir les différents capteurs qui iront s’alimenter sur le faisceau du dessus :
$_57.JPG
$_57.JPG (19.54 Kio) Vu 29256 fois

Référence du capteur : 6590EF.




Y-a-t-il une personne qui pourrait confirmer (ou infirmer) ce que j’ai écrit, et éventuellement, me donner les références des deux faisceaux ?
Merci à toutes les personnes qui passeront par ici et qui auront le courage de me lire ! :)
Azdar
308 d'Or
 
Messages: 817
Inscription: Dim 27 Mai 12 11:18

Radar de recul d'origine - Seconde monte

Publicité

Publicité
 

Re: Radar de recul d'origine - Seconde monte

Messagede austinman » Ven 31 Oct 14 09:53

Rapproche toi de Greg83, il a fait beaucoup de recherche sur le câblage des radars (enfin plus pour l'avant).
308 Féline 2007 - 1.6L 110ch - Gris aluminium - Semi-cuir - Lincancabur DS 18" - RT6 - Radar AR
http://www.forum308.com/viewtopic.php?f=10&t=5779
Avatar de l’utilisateur
austinman
308 de Diamant ! :)
 
Messages: 4334
Inscription: Jeu 18 Avr 13 21:29
Peugeot 308: HDi 1,6L 110/112 ch

Re: Radar de recul d'origine - Seconde monte

Messagede Relaxincherry » Ven 31 Oct 14 09:57

Salut,

Je vais suivre avec attention ce sujet car j’aimerais faire la même chose !
Relaxincherry
308 Addicted
 
Messages: 24
Inscription: Ven 31 Oct 14 09:51
Localisation: 06
Peugeot 308: VTi 1,6L 120 ch

Re: Radar de recul d'origine - Seconde monte

Messagede Azdar » Ven 31 Oct 14 12:42

@austinman : J'ai étudié son topic hier soir; je vais attendre qu'il passe par ici pour lui poser des questions :)

@Relaxincherry : Bienvenue sur le forum ! Tu as regardé si tu étais pré-câblé ?
Azdar
308 d'Or
 
Messages: 817
Inscription: Dim 27 Mai 12 11:18

Re: Radar de recul d'origine - Seconde monte

Messagede Relaxincherry » Ven 31 Oct 14 15:22

Merci et non je n'ai pas encore regardé si j'étais pré câblé :)
Relaxincherry
308 Addicted
 
Messages: 24
Inscription: Ven 31 Oct 14 09:51
Localisation: 06
Peugeot 308: VTi 1,6L 120 ch

Re: Radar de recul d'origine - Seconde monte

Messagede Greg83 » Ven 31 Oct 14 16:10

Yo j'passe par la.....
Donc moi effectivement j'ai les radars arriere et je suis en train de rajouter l'avant, donc j'ai eu juste à câbler les radars toi il te faut aussi alimenter le boitier, la deuxième petite fiche qui va sur le boitier.
Pour les radars arrières il te faut partir du boitier jusqu'au bsi et revenir au bsi et au mileu y rajouter l'alim.
Normalement il y a trois fils par radars donc 12 mais qui se recoupent pour en sortir que 6, 4 pour les radars et 2 pour le can c'est à dire les infos qui vont a l'obd, du moins pour l'arrière et trois pour l'alim par contre je ne sais du coup comment cela ce branche.
Je te remet les plans mais pour repérer les fils moi je n'y suis pas arrivé donc j'ai demandé à un très gentil forumeur de me photographier les fils et j'ai procéder par couleur.
Voilà ensuite il faut aussi le telecoder dans le bsi.
Voilà déjà quelques infos, celles que tu as sont bonnes il te faut bien un calculateur d'aide au stationnement à deux prises le premier en photo, celui à trois prises et pour les Avants et les arrières.
Jette un œil sur les forum 207, 407 etc.......pas mal de mec ont fait ce genre de modifs et même si c'est pas exactement la même chose, ça te donne de très bonne infos
Voilà si t'as d'autres question n'hésite pas :D
Fichiers joints
image.jpg
Nous héritons pas de la terre de nos parents, nous l'empruntons a nos enfants.
Avatar de l’utilisateur
Greg83
308 d'Élite
 
Messages: 1301
Inscription: Lun 15 Avr 13 08:52
Localisation: 83 La Sagno......
Peugeot 308: HDi 1,6L 110/112 ch
    Voir la position géographique du membre

Re: Radar de recul d'origine - Seconde monte

Messagede Azdar » Ven 31 Oct 14 17:24

Merci pour toutes ces informations Greg !
Est-ce-que tu pourrais me montrer où se branche le faisceau sur le BSI ?

EDIT = J'ai une autre question : est-ce-que le radar que l'on voit sur la dernière photo est le même que celui installé d'origine sur vos titines ?
J'ai trouvé un vendeur qui vend les capteurs 18.50€ l'unité ! :siffle:
Azdar
308 d'Or
 
Messages: 817
Inscription: Dim 27 Mai 12 11:18

Re: Radar de recul d'origine - Seconde monte

Messagede Azdar » Dim 02 Nov 14 19:59

Un petit up du topic pour savoir si quelqu'un aurait la référence du faisceau qui part du BSI pour aller dans l'aile arrière gauche ?
Je n'ai pas réussi à trouver l'info sur ServiceBox ! :gene:

Merci à ceux qui passeront par ici ! :)
Azdar
308 d'Or
 
Messages: 817
Inscription: Dim 27 Mai 12 11:18

Re: Radar de recul d'origine - Seconde monte

Messagede Greg83 » Dim 02 Nov 14 20:10

Je n'ai moi aussi que les infos du servicebox donc.....
Pour la prise, c'est une prise jaune et blanche derrière le bsi, en le declispsànt légèrement on le voit.
J'essaierai de te prendre des photos demain.
Pour les capteurs attention il y a plusieurs modèles.....
Nous héritons pas de la terre de nos parents, nous l'empruntons a nos enfants.
Avatar de l’utilisateur
Greg83
308 d'Élite
 
Messages: 1301
Inscription: Lun 15 Avr 13 08:52
Localisation: 83 La Sagno......
Peugeot 308: HDi 1,6L 110/112 ch
    Voir la position géographique du membre

Re: Radar de recul d'origine - Seconde monte

Messagede Azdar » Dim 02 Nov 14 20:13

Merci Greg !
C'est bizarre qu'on ne voit rien sur ServiceBox. Sauf si le faisceau n'est pas détaillé et qu'il fait partie du faisceau habitable ... Mais je ne suis pas certain du tout !

Concernant les capteurs, ils proviennent d'une RCZ, donc ça devrait passer normalement ?
Azdar
308 d'Or
 
Messages: 817
Inscription: Dim 27 Mai 12 11:18

Re: Radar de recul d'origine - Seconde monte

Messagede Greg83 » Dim 02 Nov 14 20:29

Pour le faisceau ca m'étonnerait qu'il se détaille pas moi la partie pour l'arrière ne se détaille pas non plus.....
J'ai pris 6 fils électrique classique diamètre entre 0,5 et 1mm, moi j'ai mis 1mm, ça suffit large, après j'ai scotché tous les 50 cm pour les maintenir et ensuite enroulé de ducktupe sur toute la longueur pour être tranquille.
Côté Bsi j'ai souder les fils un a un, pas pratique vu l'emplacement très exiguë, et recouvert de gaine thermo, et côté calculateur, j'ai récupéré une prise à la casse sur un c4 et pareil soudé les fils et gaine thermo, l'emplacement sur la prise et pas le même car 6 fils sur 16 plots............mais avec un petit tournevis les cosses dans la fiche se lèvent facilement.
Voilà pas trouvé mieux et plusieurs personne ont du faire cela donc je pense que le faisceau se détaille pas ou doit coûter un bras.....
Pour les capteurs je crois que c'est juste l'esthétique qui change et sûrement la fixation aussi après vu que tu vas les rajouter tu peux sûrement mettre ce que tu veux mais j'ai récupérer un Pc avec déjà les capteurs donc j'ai pas fait de recherche sur les capteurs.
Nous héritons pas de la terre de nos parents, nous l'empruntons a nos enfants.
Avatar de l’utilisateur
Greg83
308 d'Élite
 
Messages: 1301
Inscription: Lun 15 Avr 13 08:52
Localisation: 83 La Sagno......
Peugeot 308: HDi 1,6L 110/112 ch
    Voir la position géographique du membre

Re: Radar de recul d'origine - Seconde monte

Messagede Azdar » Dim 02 Nov 14 22:10

Encore merci pour ces infos Greg ! :)
Je vais essayer de faire le tour des casses et de trouver le faisceau qui part du BSI.
Concernant le faisceau qui alimente les radars, je crois que c'est la référence 6528X0 (au prix de 31,16€) !
Azdar
308 d'Or
 
Messages: 817
Inscription: Dim 27 Mai 12 11:18

Re: Radar de recul d'origine - Seconde monte

Messagede saturne » Lun 03 Nov 14 19:09

Salut
j'ai fais exactement la procédure de graig pour le câblage entre le BSI et le boitier, sauf que les fils du bus CAN je les aient torsadé entre eux comme tous les bus CAN du véhicule.
A toutes fin utile voici les références de tous le matériel pour les radars arrières.
Boitier AAS : 6590HK
Support boitier : 6590 AJ
Support capteurs : 7414VN (prévoir la peinture qui va avec chez peinturevoiture.fr avec la ref.)
Capteurs : 6590F6 (prévoir la peinture qui va avec chez peinturevoiture.fr avec la ref.)
Faisceau arrière : 6590X0
Bouton arrêt : 649018
Ensuite déclarer le boitier dans le BSI.
Déclarer la prise en compte de l'afficheur principal avec la ref exacte du système d'affichage.
Si je puis me permettre un petit conseil : après avoir tiré et connecté le câble du BSI au boitier et déclaré avec la valise, faire un essais en mettant les capteurs avec du scotch sur le PC.
saturne
Curieux
 
Messages: 12
Inscription: Lun 22 Sep 14 09:11
Peugeot 308: HDi 1,6L 110/112 ch

Re: Radar de recul d'origine - Seconde monte

Messagede saturne » Lun 03 Nov 14 19:15

Petite erreur
Le faisceau arrière = 6528X0 et non 6590X0
saturne
Curieux
 
Messages: 12
Inscription: Lun 22 Sep 14 09:11
Peugeot 308: HDi 1,6L 110/112 ch

Re: Radar de recul d'origine - Seconde monte

Messagede Azdar » Lun 03 Nov 14 21:19

Merci saturne pour ton message très complet ! :)
Je suis rassuré, car j'avais noté les même informations que celles que tu as donné.
Je compléterai prochainement le premier message du topic.

Est-ce-que tu as tiré toi même le câble qui va du BSI jusqu'au boitier ?
Azdar
308 d'Or
 
Messages: 817
Inscription: Dim 27 Mai 12 11:18

Re: Radar de recul d'origine - Seconde monte

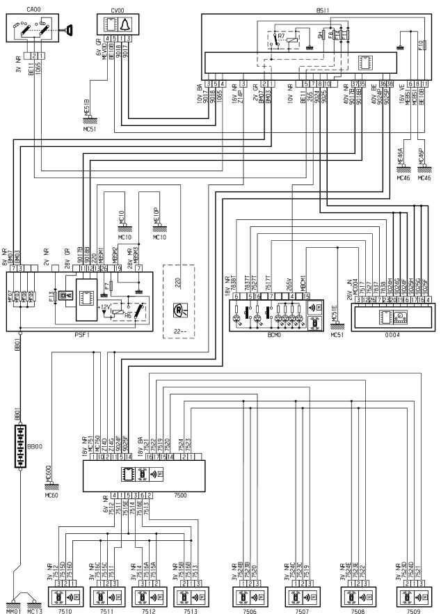
Messagede forest » Mar 04 Nov 14 02:44

Effectivement, quand on regarde tous les schémas, on trouve bien que les faisceaux avant et arrière se détaillent (attention, pour l'avant, il faut aussi la prise dans laquelle il vient se ficher).
Sinon oui, tirer les fils et te faire ton propre faisceau.

Quelques photos qui montrent bien que les faisceaux arrières sont distincts/détaillables, que le faisceau habitacle qui court le long est bien avec tous les fils dedans, et en bonus les points de masse, pour information :
Image
Image

Complet avec toutes les masses :
Image

Vu de l'intérieur, avec THE faisceau (46 HAB) qui repart vers l'avant...
Image

Question : une solution tierce avec juste radar ou petit visuel, style valéo, pas assez intégré ?
"Le savoir ne vaut que s'il est partagé par tous"
Féline 5P,110ch,Noire Perla Nera+WIPCom3D+Alarme SuperV+RadarsAV/AR+Xénon
Conso@5,28l (122 222)
Avatar de l’utilisateur
forest
308 de Diamant ! :)
 
Messages: 15645
Inscription: Mar 08 Sep 09 10:22
Localisation: Seine-et-Marne, Ile-De-France
Peugeot 308: HDi 1,6L 110/112 ch

Re: Radar de recul d'origine - Seconde monte

Messagede Azdar » Mar 04 Nov 14 10:46

Merci forest pour ces informations ! :)
Tant qu'à faire, je préfère avoir directement les informations sur le RT6 :gene2:
Quand j'aurais un peu de temps, je regarderais mon BSI de plus près pour voir ce que j'ai, et ce que je n'ai pas !

EDIT = Le topic avance petit à petit ! Le faisceau qui va du BSI jusque dans l'aile arrière gauche a pour référence 6583TK et coute 407,02€ chez Peugeot.
Du coup, soit je trouve le faisceau dans une casse, soit je créer le faisceau moi même.
Azdar
308 d'Or
 
Messages: 817
Inscription: Dim 27 Mai 12 11:18

Re: Radar de recul d'origine - Seconde monte

Messagede bories81 » Mar 04 Nov 14 10:51

Vous les chopez où tout ces schémas, c'est énorme !!
Avatar de l’utilisateur
bories81
308 de Diamant ! :)
 
Messages: 4896
Inscription: Dim 29 Sep 13 09:08
Peugeot 308: HDi 1,6L 90/92 ch
    Voir la position géographique du membre

Re: Radar de recul d'origine - Seconde monte

Messagede forest » Mar 04 Nov 14 11:05

J'ai failli répondre avec 3 lettres, mais en tant que modo, ça ne se fait pas ;-)
"Le savoir ne vaut que s'il est partagé par tous"
Féline 5P,110ch,Noire Perla Nera+WIPCom3D+Alarme SuperV+RadarsAV/AR+Xénon
Conso@5,28l (122 222)
Avatar de l’utilisateur
forest
308 de Diamant ! :)
 
Messages: 15645
Inscription: Mar 08 Sep 09 10:22
Localisation: Seine-et-Marne, Ile-De-France
Peugeot 308: HDi 1,6L 110/112 ch

Re: Radar de recul d'origine - Seconde monte

Messagede bories81 » Mar 04 Nov 14 11:17

bories81 a écrit:Vous les chopez où tout ces schémas, c'est énorme !!

Et y aurait la place là où tu pensais :mdr3:
Avatar de l’utilisateur
bories81
308 de Diamant ! :)
 
Messages: 4896
Inscription: Dim 29 Sep 13 09:08
Peugeot 308: HDi 1,6L 90/92 ch
    Voir la position géographique du membre

Re: Radar de recul d'origine - Seconde monte

Messagede forest » Mar 04 Nov 14 11:20

:triste2:

:mdr1:
"Le savoir ne vaut que s'il est partagé par tous"
Féline 5P,110ch,Noire Perla Nera+WIPCom3D+Alarme SuperV+RadarsAV/AR+Xénon
Conso@5,28l (122 222)
Avatar de l’utilisateur
forest
308 de Diamant ! :)
 
Messages: 15645
Inscription: Mar 08 Sep 09 10:22
Localisation: Seine-et-Marne, Ile-De-France
Peugeot 308: HDi 1,6L 110/112 ch

Re: Radar de recul d'origine - Seconde monte

Messagede bories81 » Mar 04 Nov 14 11:25

Le smiley juste parfait

(Désolé d'avoir dérapé du sujet initial)
Avatar de l’utilisateur
bories81
308 de Diamant ! :)
 
Messages: 4896
Inscription: Dim 29 Sep 13 09:08
Peugeot 308: HDi 1,6L 90/92 ch
    Voir la position géographique du membre

Re: Radar de recul d'origine - Seconde monte

Messagede Azdar » Mar 04 Nov 14 11:30

Ah bah bravo les gars ! :mdr1:
Azdar
308 d'Or
 
Messages: 817
Inscription: Dim 27 Mai 12 11:18

Re: Radar de recul d'origine - Seconde monte

Messagede saturne » Mar 04 Nov 14 11:36

Bonjour
A Azdar: j'ai tiré moi même les 3fils depuis le BSI, 15 minutes ont suffi, toute la partie cache en plastique est clipsée, et pas besoin de les retirer.
D'autres faisceaux passent au même endroit.
Le raccordement au connecteur 40V BE (bus CAN) est à faire avec précaution.
Par contre le raccordement au connecteur 16V NR (+12Volts) est assez facile.
Ne pas oublier de torsader les fils du bus CAN.
LE + DE LA BATTERIE DEBRANCHE
saturne
Curieux
 
Messages: 12
Inscription: Lun 22 Sep 14 09:11
Peugeot 308: HDi 1,6L 110/112 ch

Re: Radar de recul d'origine - Seconde monte

Messagede forest » Mar 04 Nov 14 11:51

Merci de ce retour saturne, c'est cool
"Le savoir ne vaut que s'il est partagé par tous"
Féline 5P,110ch,Noire Perla Nera+WIPCom3D+Alarme SuperV+RadarsAV/AR+Xénon
Conso@5,28l (122 222)
Avatar de l’utilisateur
forest
308 de Diamant ! :)
 
Messages: 15645
Inscription: Mar 08 Sep 09 10:22
Localisation: Seine-et-Marne, Ile-De-France
Peugeot 308: HDi 1,6L 110/112 ch

Re: Radar de recul d'origine - Seconde monte

Messagede SADAM » Ven 26 Déc 14 12:25

Bonjour à tous, je me pose une petite question au sujet de ces radars de stationnement.

Il y a donc 2 versions du boîtier, celle pour les capteurs arrières uniquement, et celle avec les radars Avants et arrières.

Mais question, quand est-ce que les radars Avants se mettent en fonction ? Dès que la vitesse est "faible" ? En continu ? Ou après avoir passé la marche arrière :?:


EDIT: pour faire des belles torsades, utilisez une visseuse ou foreuse, attachez les 2 fils au mandrin et les extrémités dans un étau, tendez les fils puis faites tourner la machine ... Voila, belle torsade ...
308 1.6 VTi 120 Premium (ma monture)
208 1.2 Like (la nouvelle de ma femme)
Avatar de l’utilisateur
SADAM
308 de Bronze
 
Messages: 110
Inscription: Sam 06 Déc 14 06:36
Localisation: Liège (Belgique)
Peugeot 308: VTi 1,6L 120 ch
    Voir la position géographique du membre

Re: Radar de recul d'origine - Seconde monte

Messagede Azdar » Ven 26 Déc 14 12:33

Hello,

Merci pour l'astuce des torsades ! :super:
Concernant les radars à l'avant, il me semble qu'ils fonctionnent en permanence ... Et pour l'arrière, uniquement quand la marche arrière est enclenchée !
Quelqu'un qui a l'option peut-il venir confirmer (ou infirmer) ? :gene:
Azdar
308 d'Or
 
Messages: 817
Inscription: Dim 27 Mai 12 11:18

Re: Radar de recul d'origine - Seconde monte

Messagede austinman » Ven 26 Déc 14 12:33

Je crois bien que c'est ça.
308 Féline 2007 - 1.6L 110ch - Gris aluminium - Semi-cuir - Lincancabur DS 18" - RT6 - Radar AR
http://www.forum308.com/viewtopic.php?f=10&t=5779
Avatar de l’utilisateur
austinman
308 de Diamant ! :)
 
Messages: 4334
Inscription: Jeu 18 Avr 13 21:29
Peugeot 308: HDi 1,6L 110/112 ch

Re: Radar de recul d'origine - Seconde monte

Messagede SADAM » Ven 26 Déc 14 12:41

Donc, si un radar déconne à l'avant, ça va chanter en continu...
308 1.6 VTi 120 Premium (ma monture)
208 1.2 Like (la nouvelle de ma femme)
Avatar de l’utilisateur
SADAM
308 de Bronze
 
Messages: 110
Inscription: Sam 06 Déc 14 06:36
Localisation: Liège (Belgique)
Peugeot 308: VTi 1,6L 120 ch
    Voir la position géographique du membre

Re: Radar de recul d'origine - Seconde monte

Messagede Azdar » Ven 26 Déc 14 13:12

Généralement, si un radar déconne (que ce soit à l'avant, ou à l'arrière), le système d'aide au stationnement cesse de fonctionner !
Sinon, il y a un bouton sur le tableau de bord pour neutraliser l'ensemble des radars !
Azdar
308 d'Or
 
Messages: 817
Inscription: Dim 27 Mai 12 11:18

Re: Radar de recul d'origine - Seconde monte

Messagede Sab » Sam 27 Déc 14 10:47

Azdar a écrit:Hello,

Merci pour l'astuce des torsades ! :super:
Concernant les radars à l'avant, il me semble qu'ils fonctionnent en permanence ... Et pour l'arrière, uniquement quand la marche arrière est enclenchée !
Quelqu'un qui a l'option peut-il venir confirmer (ou infirmer) ? :gene:


Oui c'est ça, je confirme.
Et comme tu l'as écrit un peu plus loin, il y a un bouton au tableau de bord pour les neutraliser.
308 Féline prototype de 2007
Avatar de l’utilisateur
Sab
308 d'Or
 
Messages: 843
Inscription: Mer 18 Aoû 10 16:45
Peugeot 308: HDi 2,0L 136/140 ch

Re: Radar de recul d'origine - Seconde monte

Messagede jose308 » Sam 27 Déc 14 13:55

+1 vincent
Plus qu'un forum avant tout une famille
Avatar de l’utilisateur
jose308
308 de Diamant ! :)
 
Messages: 2894
Inscription: Mar 23 Oct 12 22:14
Localisation: survilliers
Peugeot 308: HDi 1,6L 110/112 ch
    Voir la position géographique du membre

Re: Radar de recul d'origine - Seconde monte

Messagede mickey35 » Ven 02 Jan 15 08:18

Hello, déterrage de post et une suggestion : si les faisceaux sont difficilement trouvables, pourquoi ne pas utiliser du câble réseau ? il suffirait de prendre un câble type SFTP pour le blindage et utiliser les 4 paires.

Bonne année à tous ! :alcool1:
toute rayée par des c..s
Avatar de l’utilisateur
mickey35
308 Addicted
 
Messages: 92
Inscription: Sam 24 Mai 14 16:31
Peugeot 308: HDi 1,6L 110/112 ch

Re: Radar de recul d'origine - Seconde monte

Messagede Azdar » Ven 02 Jan 15 09:18

Hello,

Il n'y a qu'un seul faisceau qui est à tirer soit même si le véhicule n'est pas pré-câblé. Celui qui va du BSI vers l'aile arrière gauche.
Le câble doit faire 0,5mm de diamètre. Les câbles réseaux sont malheureusement plus gros que ça.
J'ai pris les miens ici !

A bientôt ! :super:
Azdar
308 d'Or
 
Messages: 817
Inscription: Dim 27 Mai 12 11:18

Re: Radar de recul d'origine - Seconde monte

Publicité

Pub
 

Re: Radar de recul d'origine - Seconde monte

Messagede mickey35 » Ven 02 Jan 15 11:15

Ah ouais ça ne laisse pas beaucoup de possibilité...
toute rayée par des c..s
Avatar de l’utilisateur
mickey35
308 Addicted
 
Messages: 92
Inscription: Sam 24 Mai 14 16:31
Peugeot 308: HDi 1,6L 110/112 ch

Suivante

Retourner vers Electricité & Electronique

Qui est en ligne

Utilisateurs parcourant ce forum: Aucun utilisateur enregistré et 2 invités