Page 1 sur 1
Debrancher gicleur arriere 308

Posté:
Sam 15 Fév 14 12:09
de akmer
Bonjour,
J'ai le même problème depuis 3 ans mon gicleur arrière et lave glace se déclenchent tout seul et tout le temps! (sur un trajet de 10min il peut s'enclencher 15 fois) sans que je ne touche quoi que ce soit et sa vide tout mon lave glace et tout le monde se demande qu'est ce que je fait dans ma voiture

?:
J'ai donc enlever le fusible du l'essuie glace arrière mais le problème c'est que le gicleur gicle toujours, j'ai voulu enlever le fusible de la pompe mais le problème c'est que dans ce cas là je n'ai plus de lave glace pour l'avant (qui est très utile car je fait beaucoup de route).
Vu mes 1er recherche il faudrait changer le comodo mais le changement reviendrai entre 400€ et 600€--->piste oublié car pas les moyens.
J'ai donc cherché une autre solution, et je souhaiterai débrancher que le gicleur arrière mais d'après ce que j'ai vu sur internet (et ne voulant pas démonter pour rien tout le coffre lol), il n'y aurait qu'une prise sur le 3éme feux stop où il y a le gicleur donc par conséquent sa couperai bien le gicleur... mais aussi le feux STOP!
Que puis je faire? avez vous une solution pour réparer mon problème ou une solution pour désactiver ce gicleur arrière
Merci d'avance pour votre aide
Re: Debrancher gicleur arriere 308

Posté:
Sam 15 Fév 14 12:15
de Clems13
C'est juste un tuyau qui arrive sur le 3eme feux. Tout part d'une seule et meme pompe pour l'avant et l'arrière au niveau du moteur.
Je ne vois pas de moyen de juste supprimer le lave glace arrière sans supprimer l'avant...
Re: Debrancher gicleur arriere 308

Posté:
Sam 15 Fév 14 12:53
de titou
Si c'etait la meme pompe pour l'avant et l'arrière, il y aurait le liquide qui sortirait a l'avant mais il ne parle que de l'arrière donc ca doit etre indépendant non ?
Re: Debrancher gicleur arriere 308

Posté:
Sam 15 Fév 14 13:07
de Clems13
La pompe tourne dans un sens pour l'avant et dans un autre pour l'arrière. Il n'y a que 2 fils qui arrivent dessus.
Même principe que pour les moteurs des rétros rabattables !
Re: Debrancher gicleur arriere 308

Posté:
Sam 15 Fév 14 13:08
de titou
Je regarde dans la revue technique, effectivement une seule pompe
Re: Debrancher gicleur arriere 308

Posté:
Sam 15 Fév 14 18:40
de akmer
Par conséquent si je comprend bien je ne peux rien faire ... (dégouté)
N'auriez vous pas une solution à me proposer? ou une piste pour résoudre se problème?
Et merci à vous tous d'avoir déjà pris quelques minutes pour m'aider
Re: Debrancher gicleur arriere 308

Posté:
Sam 15 Fév 14 18:43
de dc8

- 7863297c82d158243c17511577cd7dba.jpg (34.34 Kio) Vu 9161 fois
Clems13 a écrit:La pompe tourne dans un sens pour l'avant et dans un autre pour l'arrière. Il n'y a que 2 fils qui arrivent dessus.
Même principe que pour les moteurs des rétros rabattables !
voici la distribution lave glace une pompe 3 sorties 3 robinets solénoide
Re: Debrancher gicleur arriere 308

Posté:
Sam 15 Fév 14 18:44
de austinman
Essayer de trouver un COM2000 d'occasion si c'est bien le commodo qui est incriminé.
Re: Debrancher gicleur arriere 308

Posté:
Sam 15 Fév 14 18:50
de Clems13
Je n'ai pas compris ton schema dc8...
Il y a 2 tuyaux de brancher sur la pompe, 2 fils et c'est tout. Il y a un tuyau qui par vers le pare brise et l'autre va à l'arrière.
Re: Debrancher gicleur arriere 308

Posté:
Sam 15 Fév 14 18:52
de titou
Est-ce que sur le commodo on ne pourrait pas débrancher la commande du lave glace arriere ?
Re: Debrancher gicleur arriere 308

Posté:
Sam 15 Fév 14 18:57
de Clems13
Non, c'est pas possible...
Vive le multiplexage !
Re: Debrancher gicleur arriere 308

Posté:
Sam 15 Fév 14 19:34
de dc8
Clems13 a écrit:Je n'ai pas compris ton schema dc8...
Il y a 2 tuyaux de brancher sur la pompe, 2 fils et c'est tout. Il y a un tuyau qui par vers le pare brise et l'autre va à l'arrière.
2 sorties pompe une pour le pare brise av l'autre ar sans xénon si avec 3 robinets électrique il est vrai que c'est schématisé
Re: Debrancher gicleur arriere 308

Posté:
Mar 18 Fév 14 09:09
de LAOZ
Ca voudrait dire que tu peux pas choisir ou tu envois le lave glace ? C'est AV et AR mais pas AV ou AR ??
Si ça marche comme dit CLEMS13, avec le changement de sens de la pompe pour l'AV et pour l'AR, il suffirait de mettre une diode en série sur la pompe pour qu'elle ne tourne plus que dans un sens...
Re: Debrancher gicleur arriere 308

Posté:
Mar 18 Fév 14 15:37
de dolby
c'est comme sur les 307
une pompe avec 2 sorties:
dans un sens, c'est pour le pare brise
dans l'autre pour la lunette arriere
selon la commande que tu as utilisé
Re: Debrancher gicleur arriere 308

Posté:
Mer 19 Fév 14 11:21
de yov
Une question: si tu bouche le tuyau qui amène l'eau à l'arrière, ça pourrait marche nan ?
La surplus de pression va aller dans le gicleur à l'avant...
(à en croire le schéma de dc8 (merci))

Re: Debrancher gicleur arriere 308

Posté:
Mer 19 Fév 14 13:57
de yov
Christo a écrit:Il n'y a pas un risque de faire griller le moteur?
En effet...
Sur les anciens gicleurs (205,306 etc), ça pouvait arriver qu'ils soient bouchés et il fallait les déboucher avec une aiguille.
A l'époque javais jamais grillé de moteur mais bon, la pompe était peut-être plus costaud.

Re: Re : Debrancher gicleur arriere 308

Posté:
Mer 19 Fév 14 15:15
de Clems13
yov a écrit:Une question: si tu bouche le tuyau qui amène l'eau à l'arrière, ça pourrait marche nan ?
La surplus de pression va aller dans le gicleur à l'avant...
(à en croire le schéma de dc8 (merci))

Pas du tout, ce sont 2 tuyaux séparés.
Re: Debrancher gicleur arriere 308

Posté:
Mer 19 Fév 14 16:08
de yannou25
A part le débrancher à la sortie du bocal et boucher la sortie je voie pas
Re: Debrancher gicleur arriere 308

Posté:
Jeu 20 Fév 14 22:12
de dolby
ben reparer le comodo

si tu trouves un com2000 d'occaz meme incompatible, suffit d'echanger la manette.
voir ça se trouve, en demontant, tu verras ce qui cloche.
Re: Debrancher gicleur arriere 308

Posté:
Ven 21 Fév 14 09:02
de dc8
bonjour rectif sur le schéma il faut inverser sortie av et ar et bien sur tjr 3 robinets soléno si xénon
Re: Debrancher gicleur arriere 308

Posté:
Ven 21 Fév 14 11:04
de Clems13
Je n'ai pas compris ton histoire de robinet...
Si xenons, 2 pompes. Une pour les phares et l'autre (à double sorties) pour le pare brise avant et lunette arrière.
Si pas de xenons, 1 pompe à double sorties.
C'est comme ca :

- Sans titre.png (29.34 Kio) Vu 8842 fois
La pompe pour le xenon est plus grosse et a un debit plus important.
Re: Debrancher gicleur arriere 308

Posté:
Sam 22 Fév 14 12:06
de dc8
[quote="Clems13"]Je n'ai pas compris ton histoire de robinet...
Si xenons, 2 pompes. Une pour les phares et l'autre (à double sorties) pour le pare brise avant et lunette arrière.
Si pas de xenons, 1 pompe à double sorties.
bonjour je suis allé trainer sous la voiture pour autre chose donc l'occasion de regarder le systéme LG avec xénon , une seule pompe à 2 sorties pour les 3 servitudes et 3 robinets électrique ( soléno ) d'isolation donc 1 par circuit qui s'ouvrent suivant la demande de zone de lavage les gicleurs de phares sont bcp plus gros et son circuit est piqué sur celui du PB puisque travaille avec lui
Re: Debrancher gicleur arriere 308

Posté:
Sam 22 Fév 14 12:39
de Clems13
Sur que non. Je vais te trouver les schemas électriques. Je n'ai jamais vu de robinet sur un systeme de lave glace.
D'ailleurs, le bocal quand tu as les xenons est différent pour mettre la deuxieme pompe.
Re: Debrancher gicleur arriere 308

Posté:
Sam 22 Fév 14 12:42
de yannou25
J'avais démonté un gicleur de lave phares sur une TT. Le tuyau était juste énorme comparé à ceux du pare brise et il y avait deux pompes sur le bocal. Et obliger d'avoir deux pompes je pense car les laves phares s'enclenche quand tu utilise en même temps ceux du pare brise
Re: Debrancher gicleur arriere 308

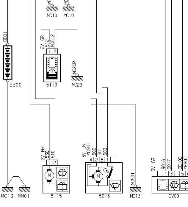
Posté:
Sam 22 Fév 14 12:59
de Clems13

- LV5.JPG (48.39 Kio) Vu 8749 fois
5115 : Pompe de lave glace AV et AR.
5405 : Pompe de lave phares.
Aucune trace de robinet. On voit bien les 2 pompes et le capteur de niveau sur la 1ere vu.
Re: Debrancher gicleur arriere 308

Posté:
Sam 22 Fév 14 13:14
de dc8
désolé les amis c'est ce que j'ai sur la mienne de 2010